當前位置:當前位置:首頁 > 產品中心 > 電力液壓臂盤式制動器
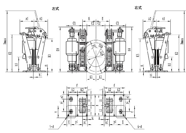
YPZ2系列電力液壓盤式制動器是一種高性能,多功能的先進產品,具有瓦塊退距均等、制動襯墊磨損自動補償等先進功能,匹配引進原西德EMG公司全套技術制造的Ed系列推動器,使用安全可靠,免維護,同時還可以通過增設各種限位開關,給主機提供所需的聯鎖保護信號。廣泛適用于現代化的大型專用裝卸機械、起重運輸機械、冶金、港口碼頭等行業的減速、制動及安全保護。
按工作狀態不同,制動器可分為常閉式制動器和常開式制動器兩大類。按構造特征不同,制動器可分為摩擦式制動器和飛摩擦式制動器兩大類。
制動器的分類:
制動器在設計時必須滿足的基本要求:
1.能產生足夠的制動力矩。
2.結構簡單、外形緊湊、制動靈敏、迅速、平穩、可靠、安全。
3.制動器零件必須有足夠的強度和剛度。
焦作市制動器廠家
4.制動帶、制動鼓等摩擦元件具有較高的耐磨性和耐熱性。
5.調整、維修方便。
制動器的安裝位置:
為了減小制動轉矩,縮小制動器尺寸,一般將制動器安裝在機構的高速軸上或安裝在減速器的輸入軸上。某些安全制動器則安裝在低速軸或卷筒軸上,以防止在傳動機構中斷軸時物品的墜落。在特殊情況下,也有將制動器安裝在其他軸上的。


