當前位置:當前位置:首頁 > 產品中心 > 電力液壓臂盤式制動器
應用:
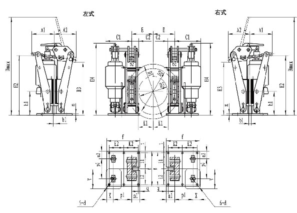
YPZ2系列電力液壓盤式制動器是一種高性能、多功能的先進產品,由于其具有瓦塊退距自動均等,襯墊磨損自動補償的先進功能,使用過程中維護非常便捷。通過增設各種限位開關,可實現給主機PLC提供所需的聯鎖保護信號。非常適合各種現代的大型專用裝卸機械、起重運輸機械、冶金設備、礦山設備及工程機械中各種機構的減速和維持(停車)制動。
主要特點;
1、主要動鉸點裝有自潤滑軸承,傳動效率高,壽命長,使用過程中無需潤滑;
2、聯鎖式退距均等裝置和瓦塊自動隨位裝置,可始終保持兩側瓦塊退距均等且無需調整,完全避免因退距不均使一側制動襯墊浮貼制動輪現象;
3、制動襯墊為卡裝式整體成型結構,更換十分方便、快捷。
附加裝置
1、手動釋放裝置;
2、釋放(開閘)或閉合(閉閘)限位開關,可實現制動器是否正常釋放或閉合的信號顯示;
3、制動襯墊磨損自動補償裝置,可實現襯墊磨損時瓦塊退距和制動力矩的無級自動補償;
4、襯墊磨損極限限位開關,可實現制動襯墊磨損到極限時的信號注意(注:應用時須帶自動補償裝置);
5、采用帶下降延時閥的推動器驅動,可實現制動器的延時閉合。


